短納期でのチタン製バブル発生器の作成
チタンチタンパイプチタンフランジ化学プラント溶接配管-
化学プラント向けに今までSUSで(フランジ+ニップル+ソケット+ヘッダー+プラグ)を製作していたが、使用される薬液に対する耐食性が悪い。
チタンで製品を作成したいが納期約1週間で加工を行わなければならない。 -
フランジとパイプを溶接することにより、製作期間の大幅な削減へ


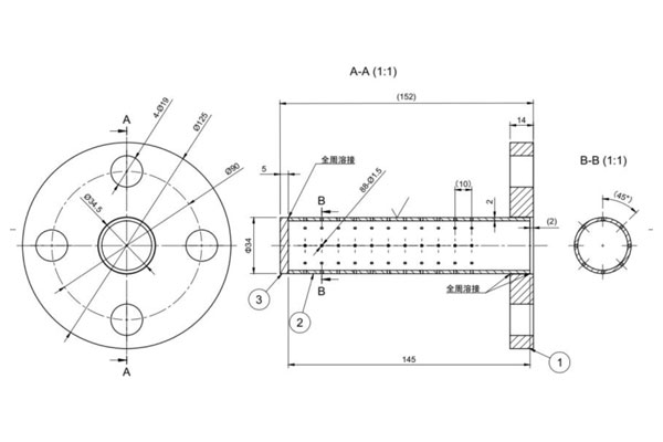
25Aフランジ+25Aチタンパイプ+チタンキャップを溶接にて接合を行いました。25AパイプはSUSヘッダーの代用とするため、パイプにΦ1.5の穴を計88箇所の穴をあけ対応しました。
フランジは社内の在庫があったので対応できたが、その他の部品について短納期で加工を行わなければならないため、いかに簡素化できるかが大きな課題でした。フランジとパイプを溶接することにより、製作期間の大幅な削減が可能となりました。
詳細情報
| 材質 | 純チタン2種 |
|---|---|
| 業界 | 化学プラント |
| 設備 | 複合NC旋盤 溶接 |
| 数量 | 1セット |
| 価格・費用 | 100,000円 |
| 納期・リードタイム | 着手より、1週間 |
| 弊社からの提案 | 部品点数が多いが、SUS配管類の様にチタンのラインナップは多くないため、フランジ+パイプ+キャップの内容へ提案 |

