チタン合金切削パイプと銅フランジの接合について
チタン合金チタン合金パイプ溶接異種接合精密加工電子ビーム-
今まではチタン合金と銅をロウ付けしていたが、熱による歪が影響してしまう
製品自体の精度をだしたい -
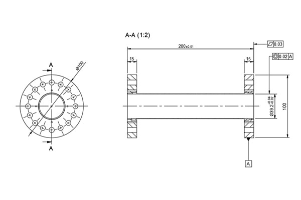
チタン合金パイプと銅フランジが嵌め合う箇所を特殊な形状に



各部品ごとに厳しい幾何公差が設けられている他、接合時も直角度や同軸度の厳しい公差要求があり、
全てを満足する内容で加工を行わなければなりませんでした。
チタン合金パイプと銅フランジが嵌め合う箇所を特殊な形状にする事で電子ビーム溶接後も公差変化が少なく、公差内で加工を行う事ができました。
詳細情報
| 材質 | Ti-6Al-4V(ASTM Gr.5)とC1020 |
|---|---|
| 業界 | 航空宇宙 |
| 設備 | 複合NC旋盤 電子ビーム溶接 水圧試験 |
| 数量 | 5セット |
| 価格・費用 | 1,000,000円 |
| 納期・リードタイム | 着手より、2ヶ月 |
| 弊社からの提案 | チタン合金切削パイプと銅フランジの接合について電子ビーム溶接の提案 |

